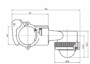
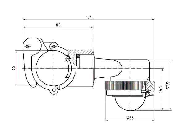
Luftwäscher Komponenten
Zubehör für Luftwäscher, Düsenbefeuchter, Bio Wäscher finden Sie hier.
Wasserdurchsatz bei verschiedenen Drücken und verschiedenen Mundstücken
| Druck [bar] | Volumenstrom [l/h] Ø Mundstück [mm] | Volumenstrom [l/h] Ø Mundstück [mm] | Volumenstrom [l/h] Ø Mundstück [mm] |
|---|---|---|---|
| 6 | 8 | 10 | |
| 0,3 | 345 | 420 | 610 |
| 0,5 | 450 | 560 | 750 |
| 0,8 | 546 | 670 | 920 |
| 1,0 | 600 | 780 | 1050 |
| 1,2 | 648 | 860 | 1145 |
| 1,5 | 720 | 930 | 1260 |
| 1,8 | 780 | 1010 | 1355 |
| 2,0 | 816 | 1090 | 1440 |
| 2,2 | 852 | 1120 | 1520 |
| 2,5 | 900 | 1190 | 1600 |
| 2,8 | 948 | 1250 | 1690 |
















